您好,欢迎访问湖南鑫镒五金机电有限公司网站!

湖南鑫镒五金机电有限公司

湖南鑫镒五金机电有限公司

专业生产不锈钢和高强度紧固件金属制品

联系电话
15273151388 19376983921
当前位置 :首页 > 产品中心 > 螺栓系列 > 非标内六角螺栓
非标内六角螺栓

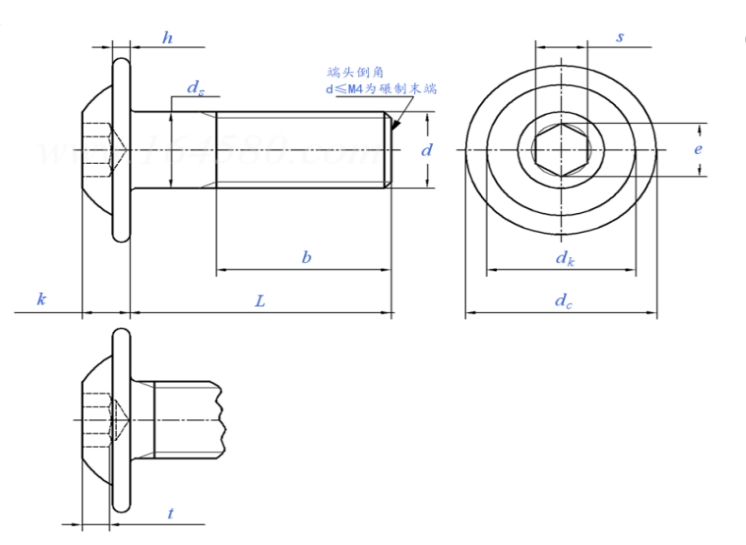
10.9级圆头内六角带垫螺栓

发布日期:2022/10/26 20:01:20

10.9级圆头内六角带垫螺栓.jpg

 标准:ISO7380-2、GB/T 70.4

 材质:碳钢、合金钢等

 等级:8.8级、10.9级、12.9级等

图纸:

 湖南鑫镒五金欢迎各位新老客户来电来函洽谈合作,真诚期待与您携手共创美好明天!

 联系电话:15273151388  19376983921

 



  • 返回顶部
  • 19376983921
  • 15273151388
  • 微信咨询
    微信二维码